電動開關蝶閥
- 閥門型號:D971X,D941X,D973H,D943H
- 通徑規格:DN50~DN1200mm
- 結構形式:中線式,三偏心
- 閥體材質:鑄鐵、碳鋼、不銹鋼304、316、316L等
- 公稱壓力:PN6、PN10、PN16、PN25、PN40
- 適用溫度:-40℃~450℃
- 應用范圍:氣體、水、油品、蒸汽、腐蝕性流體
- 產品特點:開關及時到位,開關完成程度好,基本無誤差
電動開關蝶閥簡介:
電動開關蝶閥指的是該閥只有開啟和關閉兩個位置,即為全開和全關兩種狀態。該電動蝶閥在電控的情況下能達到全開或全關精確到位后自行停止,不能直接與管路系統的流量反饋裝置進行精準互動調節流量。根據連接方式的不同,主要有法蘭式電動開關型蝶閥和對夾式電動開關型蝶閥,選用不同的密封結構(軟密封或金屬硬密封)可對應使用在不同的介質,一般適用于兩位開關控制的場合當中。

電動法蘭開關蝶閥 電動對夾開關蝶閥 電動開關蝶閥特點:
1.電動開關蝶閥是依靠電動執行裝置來控制蝶閥的開或關,電壓AC220V(可選)。
2.依靠電力來帶動閥門,減少人力手工操作,省時省力。
3.開關及時到位,開關完成程度好,基本無誤差。
4.電動執行器帶有手動裝置,在停電或執行機構故障時可以進行手動操作,確保工況正常進行。

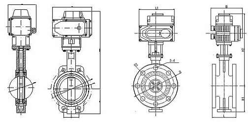
電動開關蝶閥結構圖(對夾式) 電動開關蝶閥結構圖(法蘭式)電動開關蝶閥技術參數:| 公稱通徑 | DN50~DN1200mm |
| 公稱壓力 | PN0.6、1.0、1.6、2.5MPa |
| 連接方式 | 對夾式、法蘭式 |
| 密封形式 | 軟密封,金屬密封 |
| 介質溫度 | -20℃-450℃ |
| 動作方式 | 全開、全閉 |
| 操作范圍 | 0~90度 |
| 適用介質 | 水、油品、氣體、蒸汽、腐蝕性流體 |
一,開關型電動蝶閥的開啟和關閉只有兩個位置,要么閥門全開,要么閥門全關,不能用來做介質流量的調節控制。
二,調節型電動蝶閥可對管道中的介質流量、壓力、溫度等進行控制,其中三偏心密封閥芯設計能保證在半開狀態下耐沖刷、耐氣蝕。
電動開關蝶閥零件材料:| 閥體 | 鑄鐵、碳鋼、不銹鋼304、316、316L等 |
| 碟板 | 鑄鐵、碳鋼、不銹鋼304、316、316L等 |
| 密封圈 | 各種橡膠、聚四氟、不銹鋼 |
| 閥桿 | 2Cr13、不銹鋼 |
| 填料 | O型圈、柔性石墨 |
相關產品: 氣動開關蝶閥